|
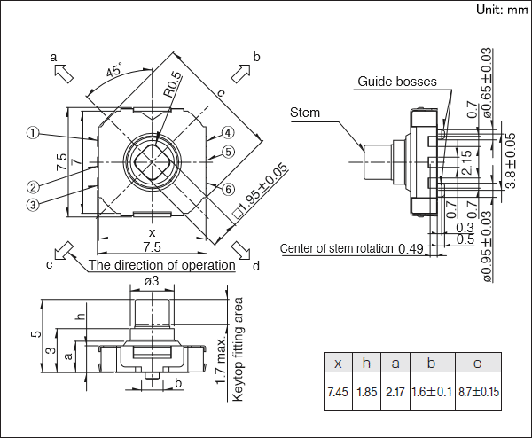
SKRH系列 产品编号 SKRHADE010型Surface mount 动作力4方向1.2N 中心按动2.35N 行程4方向0.25mm 中心按动0.15mm 操作寿命(5mA 5V DC)1,000,000 cycles 各方向 初期接触电阻100mΩ max. 按钮颜色Natural 导向突起 有 尺寸(W×D×H)7.45×7.5×1.85mm 使用温度范围-40℃ to +85℃ 最大额定/最小额定(电阻负载)50mA 12V DC/10μA 1V DC
收藏
外形图![]() 焊接处尺寸图![]() 自安装面看 电路图![]() 包装规格载带
焊接条件回流方式的参考举例
(1) 上述条件,为印刷电路板的零部件贴装面上的温度,根据电路板的材质,大小,厚度等,电路板温度和开关表面温度会有很大的不同,关于开关表面温度,也请在上述条件内使用。 手工焊接方式的参考举例
表示本系列共通的注释
使用时的注意事项
|


