|
ALPS非球面透镜TO-CAN LD & PD 耦合FLBCSR401A
收藏
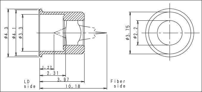
外形图![]() 使用时的注意事项
支持定制关于应对定制非球面玻璃透镜针对非标准产品的要求,我们准备有各种方案来满足客户的要求。 关于标准透镜的部分变更
关于定制规格的透镜以客户的规格为优先,可支持客户专用的透镜。 其它我们还承接有关透镜之外的光学零件(非球面反光镜等)的商谈。 |
