|
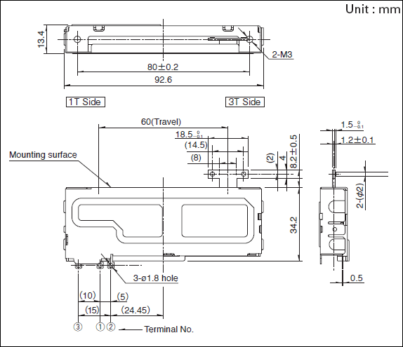
ALPS 滑动电位器(主控型)RS**K系列RS60K11A9010
包装规格散装包装数(pcs.) 出口包装箱尺寸(mm) 524×296×196
焊接条件手工焊接方式的参考举例烙铁头温度 350℃ max. 焊接时间 3s max. 焊接次数 1 time
表示本系列共通的注释本产品目录中产品的颜色,与实物的颜色有所差异。 请以最小订购单位的N(整数)倍来订货。 除了产品一览之外,还备有丰富的可适用产品规格。 上述操作部的横振动L表示测量点。
使用时的注意事项关于使用的电路 使用可变电阻器(电位器)时,建议如图A所示通过调节电压来改变电阻大小。如图B那样用调节电流来改变电阻大小时,由于整机电路的不同,有可能会受到电阻体和滑动子之间的接触电阻的影响,所以请在实际使用时进行确认。

 关于电位器的配线 在滑动子上接通直流电路使用时,根据使用环境电阻值有可能显示异常的变化。这是由于电阻体产生了阳极氧化,电阻体受到损伤而产生的现象。若接通直流电流时,请将电阻体侧作为阴极而滑动子侧作为阳极使用。
 关于直流电压的使用 通入直流电压使用时,因使用环境而异有可能导致端子之间的绝缘老化。这是由于银漂移现象而造成的,用于直流电压时,请与我们联系。 关于输出侧阻抗 在电压调整型电路中,当输出侧的阻抗低时,可能会受到电阻与滑动子间接触电阻的影响,所以请把阻抗设置为标称全电阻值的100倍以上。 关于剩余电阻 一般来说,电阻体的电极部通过刷银而形成的,但,为了提高对硫化的可靠性,在银电极部覆盖了涂碳层。低剩余电阻条件下使用时,请与我们联系。 关于结露 请避免电位器的电阻体表面等发生了结露或附有水滴的条件下使用。否则会造成绝缘能力降低或短路。 关于焊接 如图所示,在印刷电路板表面进行布线或焊接时,请避免焊接液流出,否则容易引起接触不良。 插入基板的金属脚,请焊接使用。
 关于给端子的压力 请不要给端子施加过度的压力,并注意焊接的条件。 关于轴松动 轴长很长时,松动(摆动)与轴长成比例增大,请在实际使用时确认。 关于安装到支架上 请注意,用螺母安装在支架上使用时,如果拧得太紧,因有可能导致旋转触感降低或者螺纹受损坏。 关于药品的使用 由于绝缘型轴上使用了聚碳酸酯等合成树脂,请避免在氨,胺类,硷溶液,芳香族炭化氢,酮类,酯类,卤化炭化氢等的环境,特别是强气体环境中使用。 关于在低温下的使用 若用于像车用收音机,汽车音响等有可能在低温状态下使用的设备上时,可提供在低温状态下也能易于旋转操作的产品。订货时,请指定有无耐低温的要求。 保管方法 产品以交货时的状态在常温,常湿,不受直射阳光照射,不产生腐蚀性气体的场所保管,自交货起6个月以内为限度,请尽可能快地使用。 开封后用聚乙烯袋与外气隔断,请在与上述相同环境下保管,并尽快使用。 请不要过分地堆积。
滑动式可变电阻器关于操作部长度 电路面板加上操作杆的高度, 请尽可能设计得低。因为越高就越影响滑动感触, 请确认实际使用条件。 关于操作部的驱动 如图所示, 请尽量避免以偏离操作部中心线的地方为作用点的使用方法。因为 B 尺寸越长就越影响滑动触感, 所以请通过实际使用条件予以确认。
 关于安装到支架上 请不要使用超出规定长度的螺丝。否则会使电位器的行程变短, 并导致电位器破损。
马达驱动型可变电阻器带驱动马达的电位器的使用注意事项请避免在硅或氰类气体环境中使用, 否则会造成马达停止。将粘着剂, 润滑油, 硅橡胶用于同一组件时, 请注意其成分。 请避免在电源电路中将固定电阻与马达串联连接。马达起动时, 有驱动电压降低, 无法启动的可能。 请避免在低于规定电压的情况下使用。需要降低旋转速度时, 请联系我们。
关于上述使用时的注意事项,摘引自 电子信息技术产业协会发行的技术报告EIAJ RCR-2191A 电子设备用电位计的注意事项指南 (2002年3月发行) 详细内容,请参阅上述技术报告。 测量方法・试验方法电性能总阻值 将轴(操纵杆)放置在端子1或3的终端,没有特别规定时,测量电阻器的端子1和3之间的电阻值。 额定功率 在额定周围温度中对电阻体全区域(端子1和3之间)连续施加负载为可能的功率最大值。此外,碳膜类的额定周围温度为50°C,周围温度为50〜70°C的时的负载功率,以额定功率乘上由下图的降功耗曲线决定的额定功率比后的值作为最大功率。
 额定电压 作为适应于额定功率的电压,由下式计算。但,所求的额定电压超过最高使用电压时,以此最高使用电压为额定电压。
 抽头间电阻值 测量抽头和规定的端子(端子1或端子3)之间的电阻值。 终端电阻值 将轴(操纵杆)放置在端子1侧的终端,测量端子1和2之间的电阻值。然后,把轴(操纵杆)放置在端子3侧的终端,测量端子2和3之间的有抽头的时,旋转(移动)轴(操纵杆),测量抽头与端子2间的最小电阻值。 最大衰减量 将轴放置在端子1侧的终端,测量端子1和2之间的电压,算出对端子1和4之间的电压比。此外,只要没有特别规定,可代替用于调节音量用旋转型电位器的终端电阻值适用。 插入损失 将轴放置在端子3侧的终端,测量端子1和2之间的电压,算出对端子1和4之间的电压比。此外,只要没有特别规定,可代替用于调节音量用旋转型电位器的终端电阻值适用。 滑动噪音 与具有JIS C 6443规定的频率性能的增幅器连接,在端子1和3之间加上20v的直流电压(额定电压为20v以下的时,以此电压),使轴(操纵杆)以每分约30转的速度旋转(移动)进行测量。 耐电压 在规定的地方上加上一分钟交流电压,观察有无弧光,烧毁,绝缘破坏等异常。试验可一次性在各自的端子上进行。只要没有特别规定,应进行下述地方的试验。但,在结构上导电的地方,可不进行该部分的试验。 绝缘电阻 用规定的电压绝缘电阻计测量规定的地方。只要没有特别规定,应对下列的地方进行试验。但,在构造上已接通机构处,此部分可不进行试验。 耐电压和绝缘电阻的测量点 相互偏差 将轴(操纵杆)放置在规定的位置,在端子1和3之间以1,000±200Hz分别施加2〜15v(正弦波有效值)的试验电压,测量各电位器的端子2和规定的端子(端子1或端子3)之间的电压,由下式算出。此外,如果对判断不产生疑义,试验电压还可使用直流。
 在这里 V1: 作为基准的电位器端子1和2之间的电压(电阻规律C,E,逆D时,端子2和3之间的电压) V2: 基准以外的电位器端子1和2之间的电压(电阻规律C,E,逆D时,端子2和3之间的电压) 有抽头时,在抽头和端子1之间(电阻规律为C时,在抽头和端子3之间)连接相当于额定电阻值1/10的固定电阻器进行测量。
 开关接触电阻 没有特别规定时,在接点间施加5V DC, 1A测量接点闭合时的电压降,算出接触电阻。
机器的性能全旋转角度(操纵杆移动距离) 测量将轴(操纵杆)从端子1侧的终端位置转到端子3侧的终端位置(移动)时的旋转角度(移动距离)。 旋转扭矩(动作力) 测量轴(操纵杆)旋转(移动)时所需要的扭矩(动作力)。如果没有特别规定,测量时的环境温度为 5〜35°,轴的旋转速度为每秒 60°,操纵杆的移动速度为每秒 20mm. 起动旋转扭矩(起动力) 测量长时间放置后,第一次旋转(移动)轴(操纵杆)时需要的旋转扭矩(动作力)。没有特别规定时,应在周围温度为5〜35°C时进行,轴的旋转速度为每秒60°,操纵杆的移动速度为每秒20mm。 备注∶有特别需要时才做规定。 轴松动 自基准面,在距轴端处3mm以内的点互相从180°不同的方向垂直给轴施加0.1N·m(绝缘轴50mN·m)的弯曲力矩,测定位于自基准面30mm位置的抖动偏差大小。但,轴的长度不到30mm时,按比例进行计算。 轴的终端止挡强度(操纵杆移动止挡强度) 将轴(操纵杆)放置在端子1的终端,在其方向上施加规定的力矩(力)10秒钟。然后,将轴(操纵杆)放在端子3的终端,同样地施加规定扭力矩(力)之后,检查操作部及关联部分的变形,破坏。 推拉强度(操纵杆推拉强度) 向轴(操纵杆)的轴线方向分别施加规定大小的力度10秒钟后,检查操作部及相关部分的变形,损坏状态。
|
|